

ICS第四章 处理器#
Y86-64指令集#
Y86-64是一个CSAPP为了教学而虚构出来的指令集。我们只需要记住它的指令有什么和对应的指令码即可。

请注意几个细节:
- Y86-64中,总是使用寄存器rB去进行内存寻址操作。所以mrmovq中寄存器的顺序与正常的顺序是相反的。
- 寄存器只有15个,编号为0-14。如果需要传入空寄存器,则需要传入数字15,即图中的F。注意这和空fn码不同,空fn码是0.
- Y86-64只有64位数字。所有的常数都占8字节。
HCL语言#
逻辑门#

区分And和OR:OR的头顶怎么尖尖的
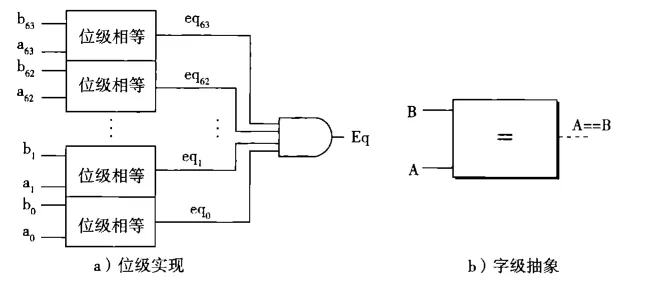
下面是逻辑电路的一个实例——相等判断。注意从位级到字级的抽象


硬件寄存器与时钟#
在逻辑电路中,每个结构只不过是一个电路。这个电路不能存储信息。它们只是进行输入,同时产生输出。但是我们想引入能够存储信息的设备,于是就引入了时序电路系统。
在硬件语境中,寄存器指的是电路中的一种结构。这种结构在时钟上升沿加载并存储输入信号,在时钟下降沿产生稳定的输出。这与编程语境的寄存器(比如说rax)是不同的。我们会用硬件寄存器与程序寄存器来分别称呼它们。请同学们尤其注意区分这两个概念。
程序寄存器在硬件中是由寄存器堆实现的。在Y86-64实现中,寄存器堆有两个读口和两个写口。
下图的写口是错误的。为了满足popQ指令的要求,必须要求寄存器堆有两个写口。

读口能够随时响应。在任何时刻,只要srcA线的电路输入改变,valA中的电路输出就会改变。
而写口只在时钟上升沿开放。在时钟上升沿信号发出的时候,寄存器堆根据valW与dstW的电信号输入,来修改硬件寄存器中的存储值。在程序视角来看,就是修改了程序寄存器。
下面我们来真正进入Processor的搭建。
SEQ Processor#
OverView#

-
取指阶段(Fetch):输入是PC,输出是icode,ifun,rA,rB,valC,valP.
- icode与ifun:指令信息。课件上会写作
- rA:需要的第一个寄存器的id。
- rB:需要的第二个寄存器的id。课件上会写作,这表示以PC+1为起点,取一个字节。
- valC:指令之中传入的常数值。或
- valP:新的PC的值。应该加多少?
-
解码阶段(Decode):输入rA,rB,输出valA与valB.
-
执行阶段(Execute):输入aluA与aluB,输出valE,并给CC传递信号。
- aluA可能来自valA或valC。
- aluB可能来自valB,或者为0.(参见下面的Y86-64指令-SEQ过程表)
- 特别注意SetCC的过程!在SEQ实现中,一个时间周期是五个阶段。这种分配其实基于于一个原则:没有一条指令既Set CC又使用CC。即书上特别强调的绝不回读原则。这一点其实我们在做ArchLab的时候也用到了。这就意味着,我们完全可以将待传入CC的信号挂起,等到时钟上升到达(一条指令完整执行结束),再改变CC寄存器的值。
-
内存操作阶段(Memory):输入Addr与Data,输出valM。
- Addr可能来自ValE或ValA。
- 如果有Data,则是写入。这里的写入和上面一样,也是向内存传递信号,等到时钟上升沿再执行写入。
- 如果没有Data,则是读出。
-
写回阶段(Write Back):输入ValE与ValM,给寄存器堆传递信号,修改ValP。
三个问题:
- 上面图中所示,哪些是寄存器?
- 只有PC、寄存器堆、内存(包括指令内存和数据内存)、CC是寄存器。
- 不是寄存器的值,如valA,aluB这些,硬件上是什么?
- 它们只是电信号!我们为了便于理解,给了它们名字作为抽象。
- 时钟上升沿,有什么事情会发生?
- 回答这个问题只需要观察每个寄存器会作何改变。
- CC可能会被设置。
- PC会被修改。
- DataMemory可能会被修改。
- 寄存器堆中的值可能会被修改。
- 回答这个问题只需要观察每个寄存器会作何改变。
指令-行为表#
接下来我们来看看各种Y86-64指令究竟是怎么在流水线中实现的。
实现过程有两个原则:
-
尽可能少的拉线,尽可能多地复用线。例如,我们总是让aluB=valB,而不会让aluB=valC。这是因为如果我们需要在某些情况中让aluB=valC,我们还需要额外拉一组线从valC到aluB。
此外,表中还有许多这样的例子。
感兴趣的同学可以对照下表,看看我们需要哪些线。
进一步地,我们为了达到这个目的,甚至可以让一些阶段进行空转。比如在CMOVXX和IRMOVQ指令中,我们让execute阶段进行+0操作,只是为了让valA的值能够传递到valE中,而不引入新的线。
-
绝不回读原则。上面已经介绍过了。这里再举一个例子,例如POPQ指令,我们会读取两次rsp程序寄存器的值,一个用来内存寻址,另一个用来+8并writeBack。
| valA | valB | valC | valP | aluA | aluB | valE | Addr | data | valM | dstM | dstE | NewPC | |
|---|---|---|---|---|---|---|---|---|---|---|---|---|---|
| CMOVXX(fn,rA,rB) | R[rA] | R[rB] | PC+2 | valA | 0 | aluB+aluA | rB/F | valP | |||||
| IRMOVQ(D,rB) | 0 | 0 | D | PC+10 | valC | 0 | aluB+aluA | rB | valP | ||||
| RMMOVQ(rA,D(rB)) | R[rA] | R[rB] | D | PC+10 | valC | valB | aluB+aluA | valE | valA | valP | |||
| MRMOVQ(rA,D(rB)) | R[rA] | R[rB] | D | PC+10 | valC | valB | aluB+aluA | valE | M[Addr] | rA | valP | ||
| OPQ(fn,rA,rB) | R[rA] | R[rB] | PC+2 | valA | valB | aluB?aluA | rB | valP | |||||
| JXX(fn,Dest) | Dest | PC+9 | valC/valP | ||||||||||
| CALL(Dest) | R[rsp] | Dest | PC+9 | 8 | valB | aluB-aluA | valE | valP | rsp | valC | |||
| RET | R[rsp] | R[rsp] | 8 | valB | aluB+aluA | valA | M[Addr] | rsp | valM | ||||
| PUSHQ(rA) | R[rA] | R[rsp] | PC+9 | 8 | valB | aluB-aluA | valE | valA | M[Addr] | rsp | valP | ||
| POPQ(rA) | R[rsp] | R[rsp] | PC+9 | 8 | valB | aluB+aluA | valA | M[Addr] | rA | rsp | valP |
手动打成,欢迎捉虫~
下面我们来拆解两个较为复杂的指令。
- CALL(Dest)指令。这个指令既要进行栈操作Push,也要进行PC跳转操作。
- Fetch&Decode阶段,设置valB为rsp寄存器的值。
- Execute阶段,设置aluA为8(或说-8,课件上的实现,后面是加法),aluB为valB(即为rsp),进行减法。这是栈指针的改变。
- Memory阶段,将valP写进栈中。Addr是valE,data是valP。
- WriteBack阶段,将valE写进rsp,更新栈指针;将valC写进PC,执行跳转。
- RET指令。这个指令也是既要进行栈操作Pop,也要进行PC跳转操作。
- Fetch&Decode阶段,设置valA与valB均为rsp寄存器的值。后续过程,一个进行+8操作,另一个供内存寻址。
- Execute阶段,设置aluA为8,aluB为valB(即为rsp),进行加法。栈指针的改变。
- Memory阶段,读取栈中的返回地址。Addr是valA,即未经改变的栈指针。
- WriteBack阶段,将valE写进rsp,更新栈指针;将valM写进PC,执行跳转。
Pipelined Processor#
终于,进入正题(
什么是Pipeline(流水线)?#
简单的来说,流水线就是并行化。让多条命令同时进入处理器中,不同的阶段同时处理。
例如对于上面的SEQ实现,我们想要把他改成Pipeline。只需要将它切分成五个阶段。在每个时钟周期,处理器中同时存在五条指令,分别在进行Fetch,Decode,Execute,Memory,WriteBack五个阶段的处理。在每个阶段之间,我们插入传递信息的硬件寄存器。然后每个时钟周期每条指令只进行一个阶段。这样,我们就把时钟周期的长度减小成了原先的约五分之一,指令吞吐量变成了原来的五倍。1
流水线的计算#
流水线的时钟周期长度,取决于其中最长的一个阶段的长度。

如上面的这个流水线,时钟周期的长度就是170ps。
下面介绍一下流水线的常见参数。
- 延迟:一条指令从进入流水线到出流水线的过程,消耗的时间。延迟=阶段数×时钟周期。上图的流水线延迟为510ps.
- 吞吐量:单位时间内,流水线能够处理的指令数目。单位是。。上图的流水线吞吐量为
在切分流水线时,鼓励平均的切分。且由于寄存器损失积累,不宜过深。
搭建Y86-64流水线#
Footnotes#
-
不一定是五分之一。这取决于五个阶段中最长的一个。见下面流水线的计算 ↩